Descripción
Especificaciones
Generales
Carga máxima
340 kg
Material
Acero
Revestimiento
Galvanizado
Color
Negro
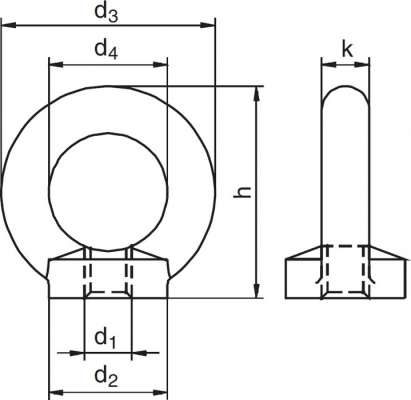
Dimensiones específicas
d2
30 mm
d3
54 mm
d4
30 mm
h
53 mm
k
12 mm
Dimensiones y peso
Peso
50 g
Cód. RIG400202665 RIGGATEC – Eyenut M12 | black | WLL 340kg – Tuerca de ojo. DIN 582 | negro galvanizado Características destacadas: Cáncamo: Material: C 15 E Acabado: negro Rosca: M 12 DIN 580 Capacidad de carga: 0,340 toneladas